IMAGINE:
Having a gorgeous door that can grab the attention in a room. Like a piece of art.
A door that doesn’t take up added space in a room. A door that slides along a wall with absolute brilliance. Epic brilliance. A gorgeous door that you want to look at instead of hide behind.
It’s possible! Check it out:

Creating funky door track hardware to make “the sexy door look” happen is not as complicated as you think. Unless you think too much. Thinking TOO MUCH usually creates a problem that didn’t exist in the first place. Don’t do that.

This DIY barn door hardware idea is meant to be a problem solver. It’s a great way to open up a hallway or tight space. A door that doesn’t swing into a room can free up tons of space.
Want to create your own door epic-ness? Then let’s get this party rolling!
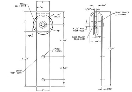
You will need rolling wheels.
SUPPLIES:
Two 3 inch wooden wheels:

Flat bar:
Flat bar width = 1/8 inch thick x 1 3/4 inches wide.

The flat bar length should be double the width of your door, with a few inches added for safe measure. You don’t want to cut it so short that your door will fall off the track. That would just be embarrassing.
I totally did that. We are not going to talk about that.

Next, you will need some nuts and bolts to attach the flat bar to the wall.
We attached our flat bar one inch out from the wall. I imagine you could make this longer or shorter depending on the thickness of your door. And your endless imagination. Whichever comes first.
(If you get confused, pound liquid fermented grapes. Somehow, that seems to clarify things. I tried. It worked.)

Two flat bar hanger brackets to hold the door on the wheel/track. Each bracket is 12 inches long and has an offset bend at the wheel.

In the next photo, you will see a little crazy shaped thingy. We added that little extra gadget to create a doorstop. This prevents your door from flying off your track. Been there. Done that. Got the poster. It was an ugly poster of flying door off tracks embarrassment.

Want more details, deets, specific numbers, very precise stuff? Fussy…
No worries. Gotcha covered. If you want to get down to the nitty gritty dirty details you can find this kind of information in a site called Barn Door Hardware:

I originally drew my door track hardware plans on a paper napkin. No lie. It worked. We have built two doors on tracks in our home. I am slowly adding more (when my husband isn’t looking).

As they say… When one door closes another one opens.
As I say around my blog DESIGN THE LIFE YOU WANT TO LIVE, “When one door closes, another one opens with creative sexy door charm.”

Want more DIY ideas and funky home decor ideas ? Come say hey! You can find me hanging out here on my blog DESIGN THE LIFE YOU WANT TO LIVE. I’d love to hear from you. Cheers!